3000 VAC, 50 Hz, 1 min. between all terminals and earth, according to EN/IEC 61058-1
Protection class:
ll
Mechanical Characteristics
Terminal:
Universal terminal, 2 x 0.5 mm
Contact material:
Gold
Switching action:
Momentary
Switching system:
Low-level element
Switching system:
This low-level switching element was designed for switching low powers in electronic circuits. The mechanism assures reliable switching of loads ranging from a few μA/μV up to 100 mA/ 42 VAC/DC.
Single-break momentary contact, as normally open or normally closed with 4 independent points of contact. 2 momentary contactsper switching element; combination of normally open and normally closed is possible.
Special features are the long life, extremely short rebound time and stable contact resistance.
Mechanical lifetime:
5 Mil. cycles of operation
Operating force:
3 N … 4 N, depending on the number of switching elements
Operating Travel:
3 mm
Tightening torque:
Fixing nut max. 0.25 Nm
Terminal details 1:
The universal terminals permit these units to be mounted on printed circuit boards (PCB). These terminals can also be used as soldering or plug-in terminals.
For these terminals we can also supply a plug-in base which, when soldered on to the board, enables the switch to be plugged in.
Wire cross section:
Max. wire diameter 2 wires of 1 mm
Max. wire cross-section of stranded cable 2 x 0.75 mm²
Weight:
0.016 kg
Ambient Condition
IP front protection:
IP67, according to DIN EN 60529
Operating temperature:
– 25 °C … + 55 °C, mounted as a block, make sure the heat can escape freely
Storage temperature:
– 40 °C … + 85 °C
Shock resistance:
Max. 150 m / s², pulse width 11 ms, 3-axis, (semi-sinusoidal as per EN IEC 60068-2-27)
Certificate
Conformities:
2011 / 65 / EC (RoHS), 2014 / 35 / EU (LVD)
REACH:
REACH compliant
RoHS:
RoHS compliant
Other
Short Description:
Actuator, Illuminated, Round, 2 NC, Momentary, Universal terminal, 2 x 0.5 mm, IP67, according to DIN EN 60529
Housing colour:
Black
Wiring diagrams:
Component layouts:
A = Terminals (rear side) B = Anti twist device C = Diode block D = Drilling plan (component side)
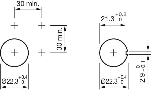
Mounting cut-outs:
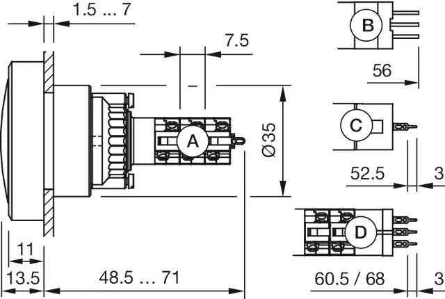
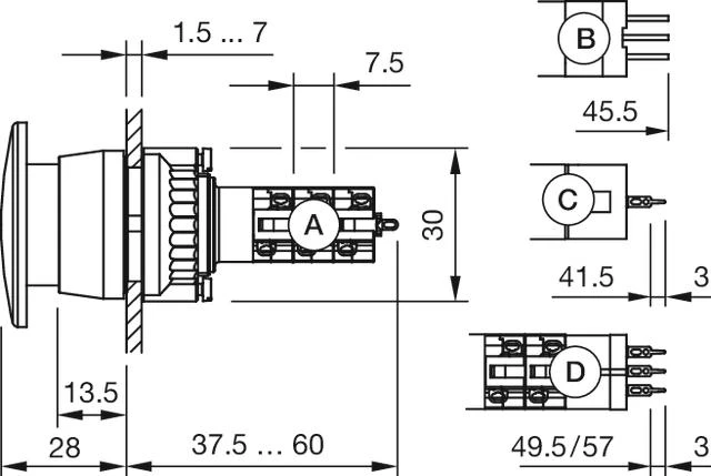
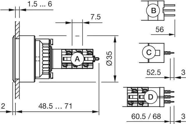
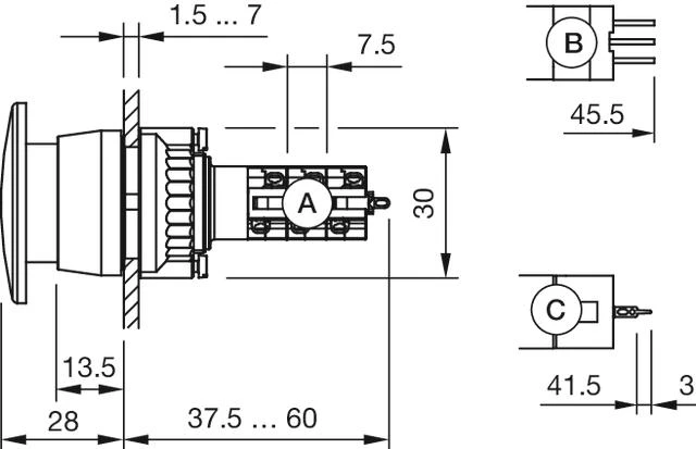
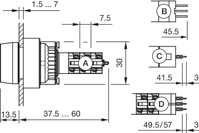
Dimension drawings:
A = Solder terminal B = Plug-in terminal 2.8 x 0.5 mm C = Universal terminal 2.0 mm x 0.5 mm Universal-Solder terminal
A = Solder terminal B = Plug-in terminal 2.8 x 0.5 mm C = Universal terminal 2.0 mm x 0.5 mm D = Universal-Solder terminal
A = Solder terminal B = Plug-in terminal 2.8 x 0.5 mm C = Universal terminal 2.0 mm x 0.5 mm D = Universal-Solder terminal
A = Solder terminal B = Plug-in terminal 2.8 x 0.5 mm C = Universal terminal 2.0 mm x 0.5 mm
A = Solder terminal B = Plug-in terminal 2.8 x 0.5 mm C = Universal terminal 2.0 mm x 0.5 mm D = Universal-Solder terminal
Download files
0 in stock 33.37 USD
Add to Cart
Cookie consent
Our website uses cookies. For more information about cookies on this website, please see our Privacy Policy and learn more about us in the Legal Notice. You may change the setting in the Privacy Policy.