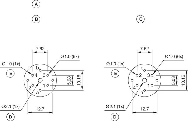
A = Axial socket B = Drilling-/occupancy plan (component side) C = Drilling-/occupancy plan diode block D = for central mounting with M2 screw, if desired E = non-metallic
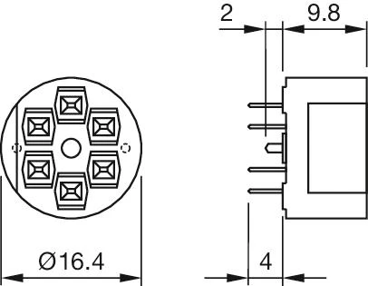
Dimension drawings:
for Part No. 31-940
Download files
0 in stock Loading ...
Add to Cart
Cookie consent
Our website uses cookies. For more information about cookies on this website, please see our Privacy Policy and learn more about us in the Legal Notice. You may change the setting in the Privacy Policy.