PCB plug-in base, Plastic, heat-resistant and self-extinguishing, PCB terminal, Axial
Titel Accessory:
PCB plug-in base
Material:
Plastic, heat-resistant and self-extinguishing
Product attributes:
For snap-action switching element 2.8 mm
Pins:
Axial
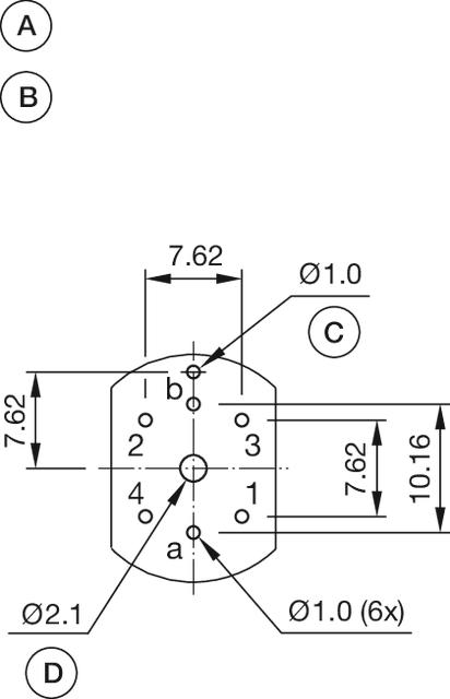
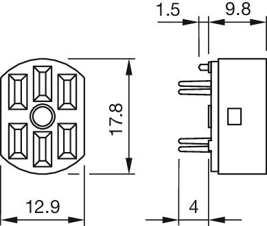
Component layouts:
A = Axial socket B = Drilling-/occupancy plan (component side) C = non-metallic D = for central mounting with M2 screw, if desired
Dimension drawings:
for Part No. 31-942
Download files
Component for 9.14 USD
Add to Cart
Cookie consent
Our website uses cookies. For more information about cookies on this website, please see our Privacy Policy and learn more about us in the Legal Notice. You may change the setting in the Privacy Policy.