2500 VAC, 50 Hz, 1 min. between all terminals and earth, according to IEC 61058-1, part 15
Electrostatic discharge (ESD):
≤ 15 KV
Mechanical Characteristics
Terminal:
Universal terminal, 2 x 0.5 mm
Contact material:
Gold
Switching action:
Rest (a) - Maintained
Switching system:
Low-level element
Switching system:
This low-level switching element was designed for switching low powers in electronic circuits. The mechanism assures reliable switching of loads ranging from a few μA/μV up to 100 mA/ 42 VAC/DC.
Single-break momentary contact, as normally open or normally closed with 4 independent points of contact. 2 momentary contactsper switching element; combination of normally open and normally closed is possible.
Special features are the long life, extremely short rebound time and stable contact resistance.
Switching positions:
2 positions
Switching angle:
90° right
Mechanical lifetime:
50 000 cycles of operation
Operating force:
1,8 … 3,5 N
Tightening torque:
Fixing nut max. 0.5 Nm
Terminal details 1:
The universal terminals permit these units to be mounted on printed circuit boards (PCB). These terminals can also be used as soldering or plug-in terminals.
For these terminals we can also supply a plug-in base which, when soldered on to the board, enables the switch to be plugged in.
Weight:
0.019 kg
Ambient Condition
IP front protection:
IP65, according to DIN EN 60529
Operating temperature:
– 25 °C … + 55 °C
Storage temperature:
– 40 °C … + 85 °C
Shock resistance:
15 g for 11 ms, as per DIN / EN 60512-4-3, DIN / EN 60068-2-27 (Single impacts, semi-sinusoidal)
Certificate
Approbations:
CB (IEC 61058-1), CQC, CSA, DNV, ENEC (EN 61058-1), UL
REACH:
REACH compliant
RoHS:
RoHS compliant
Other
Short Description:
Actuator, 24 mm x 18 mm, Rectangular, 2 NO, Rest (a) - Maintained, Universal terminal, 2 x 0.5 mm, IP65, according to DIN EN 60529
Housing colour:
Black
Hints:
Standard lock: DOM 311
Switching positions:
Wiring diagrams:
Component layouts:
A = Universal terminal (rear side) B = Plug-in terminal (rear side) C = Anti twist device D = Drilling plan
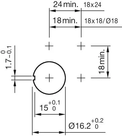
Mounting cut-outs:
Dimension drawings:
A = Solder terminal B = Plug-in terminal 2.8 mm x 0.5 mm C = Universal terminal 2.0 mm x 0.5 mm
Download files
0 in stock 73.56 USD
Add to Cart
Cookie consent
Our website uses cookies. For more information about cookies on this website, please see our Privacy Policy and learn more about us in the Legal Notice. You may change the setting in the Privacy Policy.