Front
Front dimension: Ø 29 mm Front form: Round Front bezel colour: Black Front bezel material: Plastic Mounting
Design: Raised Mounting type: Panel mounting Operating-/Indication part
Lens colour: Red Lens material: Plastic Lens shape: Flush Lens optics: transparent Marking plate colour: White Marking plate optics: translucent Marking plate illumination: illuminative Electrical characteristics
Standards: The switches comply with the “Standards for low-voltage switching devices” DIN EN 60947-1
Mechanical Characteristics
Terminal: Screw terminal Weight: 0.037 kg Ambient Condition
IP Protection: IP65 front side Operating temperature: – 40 °C … + 55 °C Storage temperature: – 40 °C … + 85 °C Certificate
REACH: REACH compliant RoHS: RoHS compliant Other
Short Description: Actuator, Ø 29 mm, Flush, Red, Plastic, transparent, Round, Black, Plastic, Screw terminal Housing colour: Grey Housing material: Plastic Hints: Filament lamp or LED
Wiring diagrams: Mounting cut-outs: A = Screw terminal B = Push-in terminal (PIT)
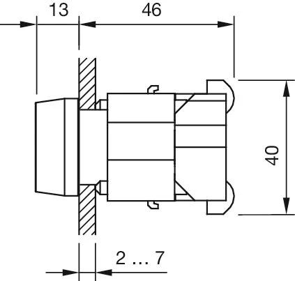
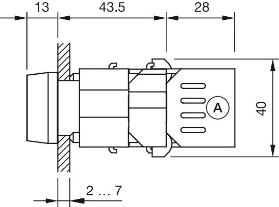
Dimension drawings:
A = Screw terminal