The switches comply with the “Standards for low-voltage switching devices” DIN EN 60947-1
Mechanical Characteristics
Switching action:
Momentary
Mechanical lifetime:
≤3 Mil. cycles of operation
Operating force:
8 N
Operating Travel:
ca. 5.8 mm ± 0.2 mm
Weight:
0.035 kg
Ambient Condition
IP Protection:
IP65 front side
Operating temperature:
– 40 °C … + 55 °C
Storage temperature:
– 40 °C … + 85 °C
Certificate
REACH:
REACH compliant
RoHS:
RoHS compliant
Other
Short Description:
Actuator, Ø 30.5 mm, Ø 35 mm, Flush, Non illuminated, Black, Plastic, opaque, Round, Nature, Aluminium, anodised, Momentary
Housing colour:
Grey
Housing material:
Plastic
Hints:
Max. 3 switching elements can be clipped on
The colour of anodised aluminium parts can vary due to technical production reasons
max. number of switching elements:
3
Wiring diagrams:
Mounting cut-outs:
A = Screw terminal B = Push-in terminal (PIT) C = Plug-in terminal 6.3 mm x 0.8 mm D = Double plug-in terminal 6.3 mm x 0.8 mm
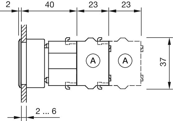
Dimension drawings:
A = Screw terminal
Download files
Component for 34.65 USD
Add to Cart
Cookie consent
Our website uses cookies. For more information about cookies on this website, please see our Privacy Policy and learn more about us in the Legal Notice. You may change the setting in the Privacy Policy.