Frontring with protective cover to be mounted with a torque of 0.4 Nm onto actuator
Max. 3 switching elements can be clipped on
The lamp block will be delivered with screw terminal
max. number of switching elements:
3
Wiring diagrams:
Mounting cut-outs:
A = Screw terminal B = Push-in terminal (PIT) C = Plug-in terminal 6.3 mm x 0.8 mm D = Double plug-in terminal 6.3 mm x 0.8 mm
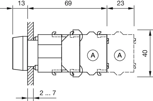
Dimension drawings:
A = Screw terminal
Download files
0 in stock 24.74 USD
Add to Cart
Cookie consent
Our website uses cookies. For more information about cookies on this website, please see our Privacy Policy and learn more about us in the Legal Notice. You may change the setting in the Privacy Policy.