丸形
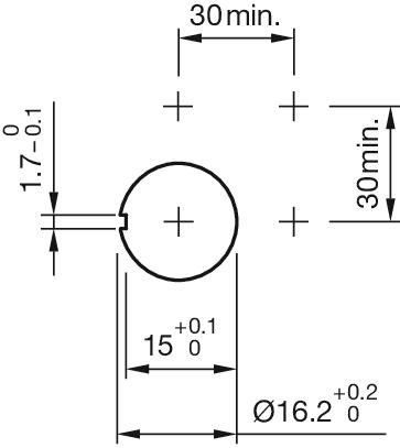
Ø 24,5 mm
レイズド
パネル実装
Ø 16 mm
マッシュルームヘッド
緑
プラスチック
非照光
1 NC + 1 NO
42 V AC @ 0,1 A
ツイストリリース
ユニバーサル端子, 2 x 0.5 mm
ローレベルエレメント
金
オルタネイト
IP65