IP40 trasero, según EN IEC 60529, IP67 frontal, según EN IEC 60529
Temperatura de funcionamiento:
– 25 °C … + 55 °C
Temperatura de almacenamiento:
– 40 °C … + 85 °C
Certificado
REACH:
Conforme a REACH
RoHS:
Conforme a RoHS
Otros
Descripción breve:
Actuador, 18 mm, cuadrado, Negro, Plástico
Dimensiones:
18 mm x 18 mm
Dimensión interna:
15,3 mm x 15,3 mm
Color de la carcasa:
Negro
Material de la carcasa:
Plástico, según UL 94 V0, autoextinguible
Esquema de conexión:
Orificios de montaje:
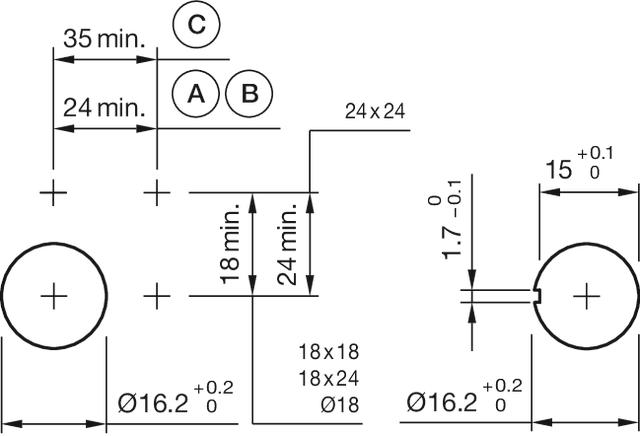
A = Terminal enchufable 2,8 mm x 0,5 mm B = Terminal de soldadura C = Conexión de tornillo
Dimensiones:
A = Terminal enchufable 2,8 mm x 0,5 mm B = Terminal de soldadura C = Conexión de tornillo D = Intermitente E = Elemento de conmutación de ruptura lenta por pulsador F = Elemento conmutador de ruptura brusca
Las resistencias en serie no deben soldarse directamente a las conexiones del dispositivo debido a las altas temperaturas de la superficie que se producen (utilice un bloque de terminales)
En las variantes AC/DC, no se puede descartar un ligero parpadeo durante el funcionamiento con tensión alterna
Datos de intensidad luminosa de los LED utilizados en funcionamiento con corriente continua
Los datos eléctricos y ópticos se miden a una temperatura ambiente de 25 °C
Todos los tipos enumerados se fabrican con un diodo de protección contra polaridad inversa (rectificador de media onda) en serie con la resistencia
Las fluctuaciones tecnológicas del brillo y la longitud de onda de los LED pueden provocar diferencias visibles en la iluminación. El cliente decide qué resistencia necesita
Para tensiones de alimentación superiores a 48 V debe utilizarse un elemento reductor de tensión (resistencia en serie externa)
Tenga en cuenta las instrucciones de seguridad específicas de cada país
Esquema de conexión:
Dimensiones:
Descargar archivos
Componente para 16.15 USD
Añadir a la cesta
Consentimiento de cookies
Nuestro sitio web utiliza cookies. Para obtener más información sobre las cookies de este sitio web, consulte nuestra Política de privacidad y obtenga más información sobre nosotros en la Aviso legal. Puede cambiar la configuración en la Política de privacidad.